domingo, 22 de septiembre de 2013

UNIDAD III: CIRCUITOS NEUMÁTICOS Y ELECTRONEUMÁTICOS.

Los circuitos neumáticos son instalaciones que se emplean para generar, transmitir y transformar fuerzas y movimientos por medio del aire comprimido.

Un circuito neumático está formado por los siguientes elementos:
  • El generador de aire comprimido, que es el dispositivo que comprime el aire de la atmósfera hasta que alcanza la presión necesaria para que funcione la instalación.
  • Las tuberías y los conductos, a través de los que circula el agua o la casa
  • Los actuadores, como los cilindros y los motores, que son los encargados de convertir los tubos en émbolos y moverlos para accionar el circuito.
  • Los elementos de control, como las válvulas distribuidoras. Las válvulas abren o cierran el paso del aire.
  • Los tornillos eléctricos que sirven para las puertas de los medios de transportes.

3.1.1 CIRCUITOS COMBINATORIOS.

Un circuito combinatorio es un arreglo de compuertas lógicas con un conjunto de entradas y salidas. Las "n" variables de entrada binarias vienen de una fuente externa, las "m" variables de salida van a un destino externo, y entre estas hay una interconexión de compuertas lógicas. Un circuito combinatorio transforma la información binaria de los datos de entrada a los datos de salida requeridos.

El análisis de un circuito combinatorio comienza con un diagrama de circuito lógico determinado y culmina con un conjunto de funciones booleanas o una tabla de verdad.

Los pasos para desarrollar un circuito combinatorio son: 


  • Establecer el problema.
  • Se asignan letras a la variables de entrada y salida.
  • Se deriva la tabla de verdad que define la relación entre entradas y salidas.
  • Se obtienen las funciones booleanas simplificadas para cada salida.
  • Se traza el diagrama lógico.


3.1.2 CIRCUITOS SECUENCIALES USANDO MÉTODOS DE CASCADA, PASO A PASO Y POTENCIA.

MÉTODO DE CASCADA:
Es utilizado para diseñar circuitos neumáticos o electroneumáticos  de una forma metódica y eliminar con ello las condiciones de  bloqueo que se presentan en el diagrama de funcionamiento, y que se producen cuando es necesario ordenar el movimiento del vástago de un cilindro mientras todavía persiste la orden del movimiento opuesto del mismo cilindro.

PROCEDIMENTO:

1. Identificación de elementos de trabajo.

Se identifican de una manera ordenada los elementos de trabajo que tienen movimiento (cilindros y motores) con letras mayúsculas, iniciando la relación por la letra A y siguiendo con las demás B, C, etc.

2. Identificación de los movimientos de los elementos de trabajo.

Se realiza el diagrama espacio-fase para los movimientos de los elementos de trabajo tomando como referencia su posición inicial o de reposo y teniendo en cuenta lo siguiente:

Cilindros: si su vástago sale se identifica con el signo más (+), por ejemplo 1A+, mientras que si su vástago entra se identifica con el signo (-), por ejemplo 1A-.

Motores: La identificación de los motores se realiza según su giro, de forma que si su eje gira en sentido horario se identifica con el signo más (+), por ejemplo 2A+, y si su eje gira en sentido antihorario se identifica con el signo menos (-), por ejemplo 2A-.

3. Relación fase secuencia.

A partir del diagrama espacio-fase se hace una relación escrita de los movimientos a la que se designa relación fase-secuencia.

4. Formación de grupos.

Se forma el primer grupo de la relación fase-secuencia de izquierda a derecha y antes de que aparezca una identificación del mismo cilindro repetida se coloca una línea vertical o inclinada la cual indica un cambio de grupo. Los grupos se nombran con numeración arábiga.

5. Válvulas conmutadoras.

El número de válvulas conmutadoras es igual al número de grupos menos uno. El tipo de válvula puede ser 4/2 o 5/2 vías de accionamiento neumático. 

6. Formación de las lineas de presión horizontales y conexión a las válvulas conmutadoras. 

Se representan líneas horizontales de presión según el número de grupos formados, luego se identifican con los números arábigos al igual que los grupos.

7. Conectar captadores.

Se debe conectar la línea de presión de los captadores a las líneas horizontales de presión según corresponda.
Los puertos 2 de los captadores se deben conectar de la siguiente forma:
  • Conectar los puertos 2 de los captadores para realizar los movimientos al interior del grupo con las válvulas de potencia.
  • Conectar los puertos 2 de los captadores para realizar los cambios de grupo con la válvula conmutadora.

8. Conectar válvulas de potencia.

Las válvulas de potencia se deben conectar con sus pilotajes de la siguiente manera.
  • Se debe conectar la válvula de inicio, al piloto de la válvula de potencia correspondiente para iniciar el ciclo
  • Se debe conectar las conexiones faltantes de los pilotos de las válvulas de potencia a las líneas horizontales de presión según el grupo a que correspondan.

Es un sistema sencillo para la resolución de circuitos neumáticos secuenciales, en los cuales, se repitan estados neumáticos. El método consta de una serie de pasos que deben seguirse sistemáticamente:
  1. Definir la secuencia. 
  2. Determinar los grupos. 

Colocar tantas líneas de presión como grupos hay en la secuencia y tantas válvulas distribuidoras de línea, como grupos menos uno.

Ejemplo:
Mando neumático de tres cilindros de doble efecto. 
Cilindro A (Finales de carrera S1 y S2). 
Cilindro B (Finales de carrera S3 y S4).
Cilindro C (Finales de carrera S5 y S6).
Secuencia de funcionamiento: A + A - B + B - C + C -
Grupos Neumáticos: A + / A - B + /  B - C + /  C -
G1: (C-) A+. El movimiento C- pasa al primer grupo.
G2: A- B+
G3: B- C+
Condiciones de funcionamiento:
A + = G1 . S5 . 
Marcha:
G2  = G1 . S2
A -  = G2
B + = G2 . S1
G3  = G2 . S4
B -  = G3
C + = G3 . S3
G1  = G3 . S6
C -  = G1


MÉTODO PASO A PASO:

Este método presenta una mayor rapidez de mando ya que las válvulas se conectan en paralelo, alimentándose directamente de la red. Sin embargo, frente al método de cascada presenta el inconveniente que, para el mismo número de salidas, el método paso a paso necesita una válvula de memoria más, una por cada línea de salida que necesitemos. Además, no puede utilizarse cuando el número de salidas sea dos (ya que cada salida debe borrar la anterior, no podría activarse).

Se trata de diseñar el circuito de mando de modo que cada fase de la secuencia disponga de su propia salida. La mayor ventaja es que se puede modificar la secuencia sin tener que modificar el mando. El inconveniente es que precisaremos más válvulas de memoria, una por cada movimiento de la secuencia. Los pasos a seguir:
  • Escribir correctamente la secuencia y dividirla en tantos grupos como fases tenga.
  • En la posición inicial, todas las salidas del dispositivo de mando estarán anuladas, excepto la última, que se deberá estar activa.
  • La activación de cada salida se realizará tomando la alimentación de los finales de carrera de la salida anterior.
  • Los cilindros y distribuidores que los gobiernan se alimentarán directamente de la red, nunca de las salidas de los dispositivos de mando.
  • Los finales de carrera conviene que se alimenten directamente de la red y serán las entradas del dispositivo de mando.
  • El último final de carrera se montará en simultaneidad con las condiciones de mando, para garantizar que una nueva secuencia no comienza sin haber finalizado la anterior.

 Para una Secuencia:  A +      B +      B –      A –      
Tendremos tantos grupos como movimiento realiza la secuencia 4 necesitaremos por tanto cuatro válvulas de memoria en el dispositivo de mando.

A +  Pulsamos PM y el cilindro A avanza. Se desactiva A0 y se activa A1.
B +  Al activarse A1 sale el cilindro B. Se desactiva B0 y se activa B1.
B -  La activación de B1 da la orden para que B se retraiga. Se desactiva B1 y se activará B0.
A -  B0 dará la orden para que el cilindro A se retraiga. Se desactiva A1 y se activa A0.


3.2 DESARROLLO DE CIRCUITOS ELECTRONEUMÁTICOS.

En la electroneumática los actuadores siguen siendo neumáticos, los mismos que en la  neumática básica, pero las válvulas de gobierno mandadas neumáticamente son sustituidas por  electroválvulas activadas con electroimanes en lugar de pilotadas con aire comprimido.

Las ventajas de la electroneumática sobre la neumática pura son obvias y se concretan en la capacidad que tienen la electricidad y la electrónica para emitir, combinar, transportar y secuenciar señales, que las hacen extraordinariamente idóneas para cumplir tales fines. Se suele decir que la neumática es la fuerza y la electricidad los nervios del sistema.

El diseño de los circuitos puede realizarse de dos maneras:
  1. El método puramente intuitivo.
  2. El método sistemático.

Para ambos métodos es necesario que previamente se establezca el enunciado del problema, es decir se planteen los requerimientos del proceso a resolver. En el primer método se acomete el problema únicamente apoyándose en la intuición o en la experiencia. Cuando se trata de automatismos complejos se requiere en la realización de los mandos cierta experiencia y también método.

El segundo método, apoyándose en directrices determinadas, supone una realización sistemática de los mandos, siguiendo determinadas directrices.

3.2.1 CIRCUITOS COMBINATORIOS (ÁLGEBRA DE BOOLE).

En una computadora únicamente existe dos posibilidades: utilizar el 0 o bien el 1 para representar el objeto más pequeño e indivisible. Todos los programas y datos se reducen a combinaciones en bits. Un bit en una parte de un circuito puede producir voltaje mientras que en otra parte no lo hace. Razón por la cual se requieren dos niveles de voltaje:
                   1 = voltaje alto.
                   0 = voltaje bajo.

Los circuitos combinatorios se construyen por medio de compuertas lógicas que son capaces de hacer cambios en el nivel de voltaje del cuerpo.

Un circuito combinatorio es aquel cuya salida se puede obtener de una única forma, además los circuitos que utilizan las compuertas lógicas, se los puede también representar mediante las expresiones booleanas para las compuertas NOT, OR y AND respectivamente.


Se muestran los símbolos de los comandos utilizados con sus respectivas características  utilizadas en los circuitos.


Ejemplo:

Se desea un circuito para implementar la alarma de seguridad de un carro de 2 puertas se dispone de un conjunto de interruptores los cuales se han dispuesto de la siguiente manera.

a) Un interruptor se ha de prenderse si ponemos el carro en velocidad.
b) Un interruptor se ha puesto bajo cada uno de los asientos y prenderá si alguien se sienta
c) Un interruptor se ha puesto en cada asiento y prenderá si el cinturón es abrochado.

La alarma funcionara cuando se prende la lleva y pongamos un cambio de velocidad y se comprueba que cualquier de los asientos se ocupa y el correspondiente cinturón no este ajustado.

M= alarma
A= asiento derecho
B= asiento izquierdo
C= sensor de asiento
D= sensor de caja de velocidad
G= sensor de cinto derecho
H= sensor de cinto izquierdo.

Diagrama eléctrico.

Diagrama de circuito en el interior de algebra booleana.

Existen una gran variedad de formas de conectar un mismo circuito, todas dependiendo de la lógica que logre desarrollar la persona, esta es solo una de tantas combinaciones para este circuito.

3.2.2 CIRCUITOS SECUENCIALES USANDO MÉTODOS DE CASCADA, PASO A PASO Y POTENCIA.

MÉTODO DE CASCADA:

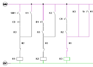
Es uno de los métodos más utilizados, comprende el empleo de un único relé que manejará una función memoria, de tal manera que cuando está activo da señal a un grupo y cuando no da señal al otro. Si analizamos el espacio fase, y agrupamos los movimientos de este ejemplo, vemos que se forman dos grupos. (A+,B+) y (A-,B-).

El primer paso será asignar un solo rele “K1” donde según su estado:

1.- Excitado: Habilita el grupo I
2.- Desexcitado: Habilidad el grupo II, para que comience la secuencia, es decir se excite “K1”, deberá accionarse el pulsador de marcha, (S1) y además estar pulsado el ultimo final de carrera de la secuencia anterior (B0), se trata de una memoria realimentada por medio de un contacto NA de K1.

El rele se desactivara cuando termine el grupo, es decir, con el final de carrera (B1).




El relé dará directamente señal al primer movimiento del grupo I, y al segundo a través del final de carrera correspondiente.El relé sin excitación dará señal directa al primer movimiento del grupo, y al segundo a través del final de carrera que corresponda.

MÉTODO DE DOS GRUPOS (SECUENCIA LARGA).

Explicando este método con una secuencia larga, de más de dos grupos, ya que en el caso de que únicamente haya dos grupos se actuara de otra manera.

1.- Suponemos conocida la secuencia como ejemplo, del siguiente diagrama espacio -fase:

2.- Se separa la secuencia en grupos de la misma manera que se hacia para ejercicios con maniobra neumática.


3.- Designar cada uno de los grupos con cifras romanas.

4.- Como en los circuitos con maniobra neumática, hay dos partes en el circuito, una encargada de activar y desactivar cada grupo, asegurando que únicamente haya en cada momento un grupo activo.


La parte de fuerza sigue siendo neumática y la única diferencia con los circuitos neumáticos son los pilotajes de las válvulas, que son eléctricas. Los detectores finales de carrera son detectores de posición mecánicos.

Cuando un relé se activa, sus contactos cambian, los cerrado se abren y los abiertos se cierran.


Por última parte del circuito en la que se activaran los solenoides que pilotaran las distribuidoras.


Como cada solenoide se activara cuando se cumple una de las condiciones, “O”, es decir conexiones en paralelo.

2 comentarios: